(1) The final code (15) is part of the reference No. identifying the thickness
(2) The final code (18) is part of the reference No. identifying the thickness
(3) The final code (20) is part of the reference No. identifying the thickness

| 01 | Galvanization (Sendzimir method) - UNI EN 10346 | |
| 03 | Hot dip galvanizing - UNI EN ISO 1461 | |
| 73 | Stainless steel AISI 430 - UNI EN 10088 | |
| 76 | ZnMg ZM310 - UNI EN 10346 |
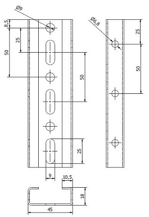
L (length) available on request from 50 mm up to 6000 mm (in multiples of 50 mm)
Fixing system for fretted metal covering with self-drilling screw
Slot 25x9 mm - Hole Ø 9 mm