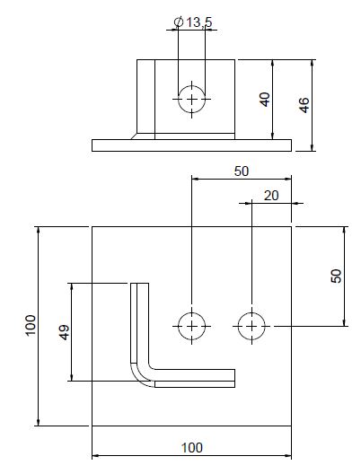
End Connection (4 holes)
brush Thickness Weight Holes Code
[mm] [Kg] Ø
6,00 0,65 13,5 F0 666 0004
List of Coatings
brush
03 Hot dip galvanizing - UNI EN ISO 1461
End Connection (4 holes)
To access the download, you must log in or sign up


×